 
     
                            Вилочный захват — многофункциональная навеска «вилы + прижим» для работы с паллетными и безпаллетными грузами. При открытых лапах вы используете погрузчик как с обычными вилами; при закрытии — бережно фиксируете коробочные, ящичные, пакетированные и нестабильные штабели без деформации тары и сдвигов груза.
Преимущества для склада
Быстрый переход паллеты ↔ без паллет без смены навески — меньше простоев.
Дозируемый прижим и широкие плиты/лапки с накладками — аккуратная работа с разными типами упаковки.
Ровная укладка и чистая подача к месту выгрузки, меньше брака и ручных операций.
Жёсткая рама, защищённая гидравлика и предсказуемая кинематика — надёжно в интенсивных сменах.
Опции: боковое смещение, сменные накладки (резина/PU), варианты длины и сечения вил; возможна компоновка с позиционированием вил.
 
                             
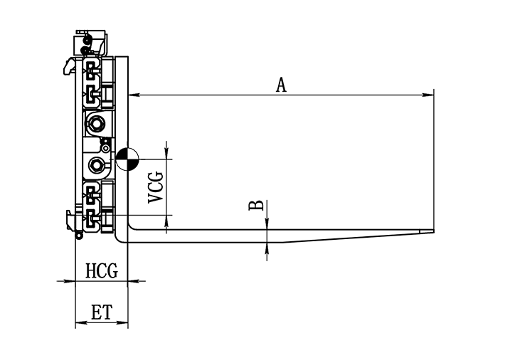
                            | Артикул | Г/п, кг | Центр тяж., мм | Класс каретки | Диап. раскр. O, мм | Выс. лап A, мм | Толщ. лап E, мм | Длина лап B, мм | Шир. рамы C, мм | Межкрюк. расст. D, мм | Вес, кг | Толщ. ET, мм | Верт. центр тяж. VCG, мм | Гор. центр тяж. HCG, мм | Г/п погруз., т | 
| CJ16G-A1 | 1600 | 600 | II | 400-1625 | 1070 | 100 | 35 | 1040 | 825 | 320 | 167 | 155 | 170 | 1-2.5 | 
| CJ16G-A2 | 1600 | 600 | II | 400-1625 | 1200 | 100 | 35 | 1040 | 825 | 330 | 167 | 161 | 170 | 1-2.5 | 
| CJ23G-B1 | 2300 | 600 | III | 510-1820 | 1070 | 125 | 45 | 1010 | 950 | 440 | 186 | 214 | 163 | 3-4.5 | 
| CJ23G-B3 | 2300 | 600 | III | 510-1820 | 1520 | 125 | 45 | 1010 | 950 | 470 | 186 | 181 | 243 | 3-4.5 | 
| CJ23G-B5 | 2300 | 600 | III | 510-1820 | 1200 | 125 | 45 | 1010 | 950 | 450 | 186 | 191 | 198 | 3-4.5 | 
| CJ23G-B5-02 | 2300 | 600 | III | 510-1820 | 1300 | 125 | 45 | 1010 | 950 | 460 | 186 | 188 | 211 | 3-4.5 | 
| CJ40G-C1 | 4000 | 600 | IV | 480-2030 | 1670 | 150 | 60 | 1300 | 1015 | 1000 | 236 | 475 | 265 | 5-7 |