 
     
                            Двухштыревой захват — специализированная навеска для подъёма и транспортировки рулонов и катушек с внутренним отверстием (бумага, ткань, плёнка, линолеум и т. п.). Два круглых штыря входят в сердечник рулона и фиксируют его без повреждений, обеспечивая быстрый и безопасный цикл: снял с пола → перенёс → точно установил на стеллаж или в кузов.
Преимущества
Бережная фиксация без смятия кромок и упаковки; хорошая обзорность для оператора.
Регулируемое раскрытие — удобно работать с разными диаметрами и шириной рулонов.
Жёсткая рама и надёжная гидравлика для интенсивных смен.
Диапазон и совместимость
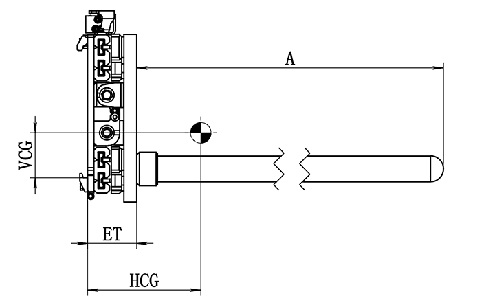
Доступны конфигурации под каретки FEM/ISO II–III с типовыми параметрами линейки: грузоподъёмность 1,6 т или 2,3 т (центр нагрузки 600 мм), раскрытие ≈240–1400 мм, диаметр штырей ⌀75 мм, длина штырей 1065–1500 мм. Рекомендованная грузоподъёмность погрузчика — 1,0–4,5 т (в зависимости от модели).
 
                             
                            | Артикул | Г/п, кг | Центр тяж., мм | Класс каретки | Диап. раскр., мм | Шир. рамы A, мм | Диам. лап C, мм | Длина лап L, мм | Верт. центр тяж. VCG, мм | Гор. центр тяж. HCG, мм | Толщ. ET, мм | Вес, кг | Г/п погруз., т | 
| YG16G-A1 | 1600 | 600 | II | 246-1400 | 1040 | ⌀75 | 1500 | 218 | 241 | 165 | 400 | 1-2.5 | 
| YG23G-B1 | 2300 | 600 | III | 240-1400 | 1010 | ⌀75 | 1065 | 213 | 239 | 179 | 460 | 3-4.5 |