 
     
                             
                             
                             
                             
                             
                            Штабелер с электроподъемом Noblelift PS05F — это не просто складское оборудование, а инновационное решение «всё в одном» для логистики и доставки. Этот самоподъемный или так называемый «летающий» штабелер кардинально меняет подход к погрузочно-разгрузочным работам.
Главное преимущество — полная мобильность.
Легко и быстро погрузите штабелер в фургон, пикап, грузовик или прицеп — вместе с грузом на вилах или без. Это значит, что в любой точке назначения у вас всегда под рукой будет полноценное подъемное устройство. Больше не нужно искать стороннюю технику для разгрузки — вы существенно повышаете эффективность и ускоряете процесс доставки.
Технические характеристики для решения ваших задач:
Грузоподъемность: 500 кг
Высота подъема: 1500 мм (идеально для работы со средним уровнем стеллажей и разгрузки в кузов)
Электроподъем: Плавный и точный подъем груза, который значительно снижает физическую нагрузку на оператора и повышает безопасность.
Компактность: Модель маневренна и отлично работает в узких проходах склада и в стесненных условиях пункта разгрузки.
Идеальное применение:
Для курьерских служб, сервисных центров, мастерских и малого бизнеса, где crucial доставлять товар быстро и разгружаться самостоятельно в любых условиях.
 
                                                
                        
                     
                             
                            | Основные параметры | 1.2 | Модель | PS 05F-1300 | PS 05F-800 | |
| 1.3 | Привод: электрический (тип: аккумулятор, сеть,…), дизельный, бензиновый, газовый | Полуэлектрический | Полуэлектрический | ||
| 1.4 | Положение оператора | Пеший | Пеший | ||
| 1.5 | Грузоподъемность | Q (кг) | 500 | 500 | |
| 1.6 | Центр загрузки | c (мм) | 500 | 500 | |
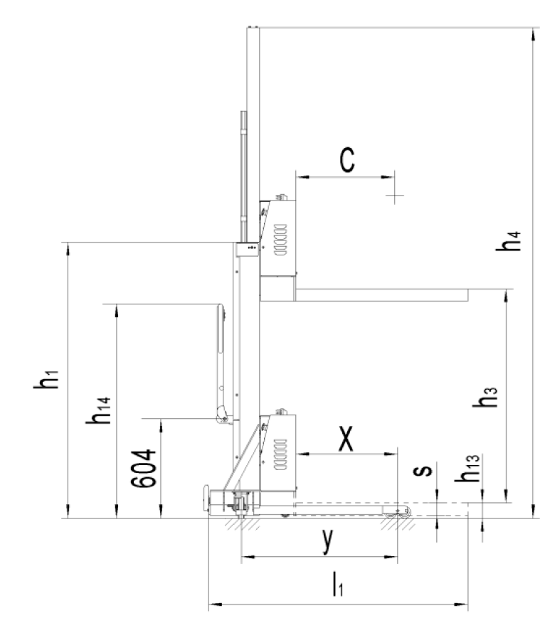
| 1.8 | Расстояние от центра оси до вил | x (мм) | 618 | 618 | |
| 1.9 | Колесная база | y (мм) | 951 | 951 | |
| Массы | 2.1 | Масса | кг | 303 | 277 | 
| 2.2 | Нагрузка на переднюю/заднюю ось с грузом | кг | 237/566 | 225/552 | |
| 2.3 | Нагрузка на переднюю/заднюю ось без груза | кг | 175/128 | 163/114 | |
| Колеса, ходовая часть | 3.1 | Тип колес | Полиуретан (PU) | Полиуретан (PU) | |
| 3.2 | Размер передних (ведущих) колес | Ø128×40 | Ø128×40 | ||
| 3.3 | Размер задних колес | Ø74×60 | Ø74×60 | ||
| 3.5 | Количество колес спереди/сзади (х-ведущие) | 2/4 | 2/4 | ||
| 3.6 | Колея передних колес | b10 (мм) | 768 | 768 | |
| 3.7 | Колея задних колес | b11 (мм) | 386 | 386 | |
| Размеры | 4.2 | Габаритная высота (min) | h1 (мм) | 1681 | 1181 | 
| 4.4 | Высота подъема | h3 (мм) | 1300 | 800 | |
| 4.5 | Габаритная высота (max) | h4 (мм) | 3000 | 1990 | |
| 4.9 | Высота ручки (min/max) | h14 (мм) | 980/1300 | 980/1300 | |
| 4.15 | Высота вил в нижнем положении | h13 (мм) | 80 | 80 | |
| 4.19 | Общая длина | l1 (мм) | 1608 | 1608 | |
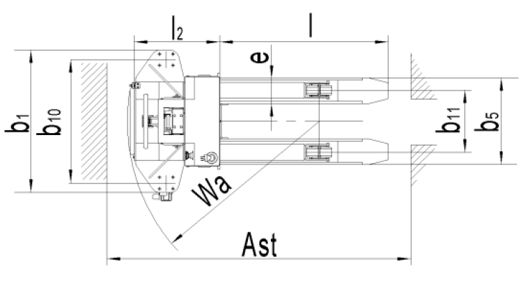
| 4.20 | Длина до фронта вил | l2 (мм) | 523 | 523 | |
| 4.21 | Общая ширина | b1 (мм) | 888 | 888 | |
| 4.22 | Размеры вил | s/e/l (мм) | 75/160/1050 | 75/160/1050 | |
| 4.25 | Ширина установки вил | b5 (мм) | 540 | 540 | |
| 4.34 | Ширина прохода с паллетой 800×1200 | Ast (мм) | 2181 | 2181 | |
| 4.35 | Радиус разворота | Wa (мм) | 1200 | 1200 | |
| Характеристики | 5.2 | Скорость подъема (с грузом/ без груза) | мм/с | 47/60 | 47/60 | 
| 5.3 | Скорость движения вил вниз (с грузом/ без груза) | мм/с | 144/103 | 144/103 | |
| Параметры электрической системы | 6.2 | Мощность двигателя подъема | кВт | 0,8 | 0,8 | 
| 6.3 | Стандарт АКБ | Необслуживаемая | Необслуживаемая | ||
| 6.4 | Напряжение питания, номинальная емкость АКБ | В/ А∙ч | 12/ 42 | 12/ 42 | |
| 6.5 | Масса АКБ | кг | 14 | 14 | 
 
                                 
                                 
                                