Noblelift SWB-130 - Самоходный штабелер - Noblelift-Belarus.by
Корзина (0)
Видео
Добавить в сравнение
0
Выбрать конфигурацию
Модель:
SWB-130
Мачта:
Выбрать параметры мачт
Доставка
Мы готовы помочь в организации доставки груза надежной транспортной компанией по всей Беларуси!
При оформлении доставки согласуйте с вашим менеджером:
Адрес и дату доставки;
Вид транспорта;
Стоимость;
Способы оплаты;
Где посмотреть
Склад: 223060, Минская область, Минский район, Новодворский с-с, район д.Большое Стиклево 30/2
Финальная цена
Формируется в зависимости от выбора комплектующих. Более подробную цену можно узнать оставив заявку на создание коммерческого предложения. Наши менеджеры оперативно обработают ваш запрос и свяжутся с вами для уточнения деталей

Noblelift SWB-130 – Самоходный штабелер

Электрический штабелёр SWB-130 – это надёжное решение для предприятий, где требуется эффективная и безопасная обработка паллетированных грузов на средних высотах. Благодаря грузоподъёмности 1300 кг, прочной стальной конструкции и современному электроприводу, эта модель обеспечивает стабильную работу в течение всей смены, даже при высокой загрузке склада.

Компактные габариты и малый радиус разворота делают SWB-130 отличным выбором для работы в узких проходах и ограниченных зонах. Эргономичная рукоятка с интуитивно понятными органами управления позволяет оператору легко маневрировать, точно позиционировать груз и минимизировать физическую нагрузку.

Штабелёр оснащён надёжной системой торможения и комплексом функций безопасности, включая аварийную кнопку, защиту от наезда и автоматическое отключение привода при отпускании рукоятки. Длительное время автономной работы обеспечивается свинцово-кислотной батареей 24В/100А·ч с возможностью быстрой подзарядки.

Основные технические параметры
Технические параметры базовой модели
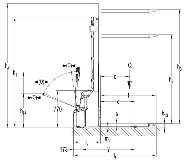
Основные параметры  1.2  Модель  SWB-130  SWB-130S  SWB-130D
 1.3  Привод: электрический (тип: аккумулятор, сеть,…), дизельный, бензиновый, газовый  Электрический (аккумулятор)  Электрический (аккумулятор)  Электрический (аккумулятор)
 1.4  Положение оператора  Пеший  Пеший  Пеший
 1.5  Грузоподъемность  Q (кг)  1300  1270  1300
 1.6  Центр загрузки  c (мм)  600  600  600
 1.8  Расстояние от центра оси до вил  x (мм)  710  674  758/675 *
 1.9  Колесная база  y (мм)  1097  1111  1197/1115 *
Массы  2.1  Масса  кг  715 (670)  880 (835)  790 (745)
 2.2  Нагрузка на переднюю/заднюю ось с грузом  кг  580/1435 (560/1410)  655/1495 (635/1470)  695/1395 (675/1370)
 2.3  Нагрузка на переднюю/заднюю ось без груза  кг  500/215 (480/190)  615/265 (595/240)  540/250 (520/225)
Колеса, ходовая часть  3.1  Тип колес  Полиуретан (PU)  Полиуретан (PU)  Полиуретан (PU)
 3.2  Размер передних (ведущих) колес  Ø210х75  Ø210х75  Ø210х75
 3.3  Размер задних колес  Ø84х93  Ø84х93  Ø84х93
 3.4  Дополнительные колеса  Ø100х50  Ø100х50  Ø100х50
 3.5  Количество колес спереди/сзади (х-ведущие)  1х+1/2  1х+1/2  1х+1/4
 3.6  Колея передних колес  b10 (мм)  550  520  550
 3.7  Колея задних колес  b11 (мм)  400/515  —  390/505
Размеры  4.2  Габаритная высота (min)  h1 (мм)  2280  2290  2320
 4.3  Свободный подъем  h2 (мм)  1800  1800  1800
 4.4  Высота подъема  h3 (мм)  3510  3510  3510
 4.5  Габаритная высота (max)  h4 (мм)  3990  4055  4030
 4.6  Начальный подъем  h5 (мм)  —  —  120
 4.9  Высота ручки (min/max)  h14 (мм)  710/1150  710/1150  710/1150
 4.15  Высота вил в нижнем положении  h13 (мм)  90  50  50
 4.19  Общая длина  l1 (мм)  1710  1790  1762
 4.20  Длина до фронта вил  l2 (мм)  560  640  612
 4.21  Общая ширина  b1 (мм)  800  800/ (1181/1231/1281/1381/1481)  800
 4.22  Размеры вил  s/e/l (мм)  60/180/1150  40/100/1150  60/180/1150
 4.25  Ширина установки вил  b5 (мм)  570/685  252-800  570/685
 4.32  Дорожный просвет в центре базы  m2 (мм)  24  40  24
 4.33  Ширина прохода с паллетой 1000×1200  Ast (мм)  2167  2228  2247/2203 *
 4.34  Ширина прохода с паллетой 800×1200  Ast (мм)  2133  2206  2197/2181 *
 4.35  Радиус разворота  Wa (мм)  1300  1345  1400/1320 *
Характеристики  5.1  Скорость движения (с грузом/ без груза)  км/ч  4,2/4,5  4,2/4,5  4,2/4,5
 5.2  Скорость подъема (с грузом/ без груза)  мм/с  100/140  100/140  110/140
 5.3  Скорость движения вил вниз (с грузом/ без груза)  мм/с  130/110  130/110  130/110
 5.8  Преодолимый уклон max (с грузом/ без груза)  %  4/10  4/10  4/10
 5.10  Тормозная система  Электромагнитный тормоз  Электромагнитный тормоз  Электромагнитный тормоз
Параметры электрической системы  6.1  Мощность двигателя движения  кВт  0,65  0,65  0,65
 6.2  Мощность двигателя подъема  кВт  2,2  2,2  2,2
 6.4  Напряжение питания, номинальная емкость АКБ  В/ А∙ч  св.-кисл.: 2×12/ 106 литиевый: 24/ 100  св.-кисл.: 2×12/ 106 литиевый: 24/ 100  св.-кисл.: 2×12/ 106 литиевый: 24/ 100
 6.5  Масса АКБ  кг  св.-кисл.: 2×34 литиевый: 26  св.-кисл.: 2×34 литиевый: 26  св.-кисл.: 2×34 литиевый: 26
 6.6  Потребление энергии в соотв. с циклом VDI  кВт∙ч/ч  0,68  0,70  0,69
Другое  8.1  Тип управления ходом  DC  DC  DC
 8.4  Уровень шума  дБ(А)  <70  <70  <70
*Данные согласно VDI 2198. Производитель оставляет право вносить изменения в конструкцию техники
параметры мачт
Модель:
Высота подъема h3 (мм) Высота свободного подъема h2 (мм) Габаритная высота мачты минимальная h1 (мм) Высота вил максимальная h3 + h13 (мм) Габаритная высота мачты максимальная h4 (мм)
DX (с функцией свободного подъема (FFL) 2510 1300 1780 2560 2990
2810 1450 1930 2900 3290
3110 1600 2080 3200 3590
3510 1800 2280 3600 3990
*Данные согласно VDI 2198. Производитель оставляет право вносить изменения в конструкцию техники.
Полезные файлы
pdf
Брошюра
pdf
Руководство (EN)
pdf
Руководство (RU)
pdf
Каталог запчастей SWB-130 (EN)
Компактность для работы в узких проходах
Конструкция штабелёра спроектирована так, чтобы обеспечивать максимальную маневренность даже при ограниченном пространстве. Небольшая ширина корпуса и оптимальный радиус разворота позволяют без труда перемещаться между стеллажами, экономя время при работе в плотной складской застройке.
Плавный и надёжный электропривод
Мотор с постоянным магнитом обеспечивает устойчивую тягу, плавное ускорение и стабильную скорость движения, что делает работу безопасной и комфортной. Даже при полной загрузке 1300 кг штабелёр сохраняет высокую эффективность перемещения.
Эргономичное управление
Рукоятка с интегрированными кнопками и переключателями позволяет управлять движением, подъёмом и опусканием груза одной рукой. Все элементы расположены так, чтобы оператор мог работать длительное время без усталости.
Длительная автономность без снижения мощности
Аккумулятор 24В/100А·ч обеспечивает работу в течение всей смены без необходимости подзарядки. Для предприятий с интенсивным режимом есть возможность быстрой зарядки в перерывах.
Многоуровневая система безопасности
Электромагнитный тормоз, кнопка аварийной остановки, автоматическое отключение при отпускании рукоятки и защита от наезда снижают риск несчастных случаев и защищают как оператора, так и груз.
Select the fields to be shown. Others will be hidden. Drag and drop to rearrange the order.
  • Image
  • Additional information
Click outside to hide the comparison bar
Compare